
Miniature Bearings Australia
GE-00300-01000-W300 - Datasheet
Iglidur
Category Information
Bushings - Spherical - PlasticPlastic Spherical Bushings. Plastic spherical plain bearings. Also known as ball bushings.
- Ball Material W300. Housing Iglidur G.
- Maintenance Free. Self lubricating.
- Compensates for axial loads and misalignment.
- Corrosion resistant.
- High vibration dampening capacity.
Product Data
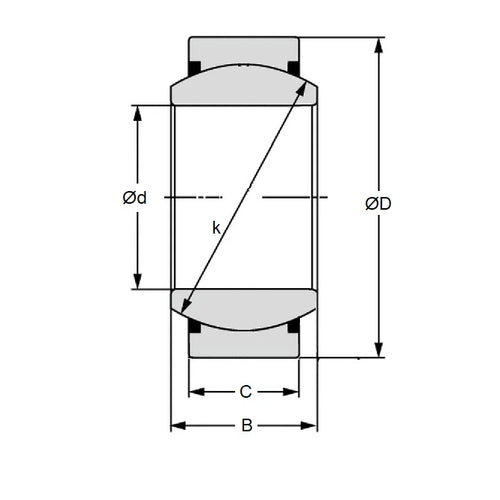
- Bore (d1)
:
3.000
mm
+ 0.014 / + 0.054
(Equiv. 0.118 in.) - OD (d2)
10.000
mm
(Equiv. 0.394 in.) - Width (B)
6.000
mm
(Equiv. 0.236 in.) - Outer Width (C) 4.50 mm
- Max Pivot angle 32 Deg.
- Max Torque 3.0 Nm
- Max Static Comp. str. (Radial) 530 N
- Max Static Comp. str. (Axial) 200 N
- Material W300 Plastic
Product Compliance and Data
Additional Resources
Cross References
- Igus KGLM-03
- KGLM03


