
Miniature Bearings Australia
GE-02500-04200-W300 - Datasheet
Iglidur
Category Information
Bushings - Spherical - PlasticPlastic Spherical Bushings. Plastic spherical plain bearings. Also known as ball bushings.
- Ball Material W300. Housing Iglidur G.
- Maintenance Free. Self lubricating.
- Compensates for axial loads and misalignment.
- Corrosion resistant.
- High vibration dampening capacity.
Product Data
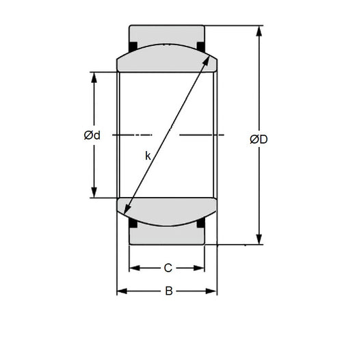
- Bore (d1)
:
25.000
mm
+ 0.040 / + 0.124
(Equiv. 0.984 in.) - OD (d2)
42.000
mm
(Equiv. 1.654 in.) - Width (B)
20.000
mm
(Equiv. 0.787 in.) - Outer Width (C) 16.00 mm
- Max Pivot angle 16 Deg.
- Max Torque 55.0 Nm
- Max Static Comp. str. (Radial) 8200 N
- Max Static Comp. str. (Axial) 1750 N
- Material W300 Plastic
Product Compliance and Data
Additional Resources
Cross References
- Igus EGLM-25
- EGLM25


