
Miniature Bearings Australia
GE-01400-02800-W300 - Datasheet
Iglidur
Category Information
Bushings - Spherical - PlasticPlastic Spherical Bushings. Plastic spherical plain bearings. Also known as ball bushings.
- Ball Material W300. Housing Iglidur G.
- Maintenance Free. Self lubricating.
- Compensates for axial loads and misalignment.
- Corrosion resistant.
- High vibration dampening capacity.
Product Data
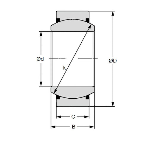
- Bore (d1)
:
14.000
mm
+ 0.032 / + 0.102
(Equiv. 0.551 in.) - OD (d2)
28.000
mm
(Equiv. 1.102 in.) - Width (B)
19.000
mm
(Equiv. 0.748 in.) - Outer Width (C) 13.50 mm
- Max Pivot angle 23 Deg.
- Max Torque 35.0 Nm
- Max Static Comp. str. (Radial) 5700 N
- Max Static Comp. str. (Axial) 1200 N
- Material W300 Plastic
Product Compliance and Data
Additional Resources
Cross References
- Igus KGLM-14
- KGLM14


