
Miniature Bearings Australia
GE-01200-02600-W300 - Datasheet
Iglidur
Category Information
Bushings - Spherical - PlasticPlastic Spherical Bushings. Plastic spherical plain bearings. Also known as ball bushings.
- Ball Material W300. Housing Iglidur G.
- Maintenance Free. Self lubricating.
- Compensates for axial loads and misalignment.
- Corrosion resistant.
- High vibration dampening capacity.
Product Data
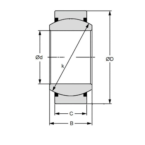
- Bore (d1)
:
12.000
mm
+ 0.032 / + 0.102
(Equiv. 0.472 in.) - OD (d2)
26.000
mm
(Equiv. 1.024 in.) - Width (B)
16.000
mm
(Equiv. 0.63 in.) - Outer Width (C) 12.00 mm
- Max Pivot angle 25 Deg.
- Max Torque 30.0 Nm
- Max Static Comp. str. (Radial) 4200 N
- Max Static Comp. str. (Axial) 1150 N
- Material W300 Plastic
Product Compliance and Data
Additional Resources
Cross References
- Igus KGLM-12
- KGLM12


