
Miniature Bearings Australia
BF0080-0100-0150-PP - Datasheet
Iglidur
Category Information
Bushes - Flanged - Plastic - Iglidur PIglidur P Plastic Flanged Bushes. Low water absorption. Low wear. Hgh load.
- An expanded range may be available on special order. Please enquire.
 - Specific Gravity 1.47 g/cm3.
 - Operating Temp 200 C short term / 130 C long term.
 - Tensile Strength at 20 Deg C = 120 Mpa.
 - Hardness 75 Shore D (DIN53505).
 - Bushing bore tolerance shown is after a H7 press fit.
 
Product Data
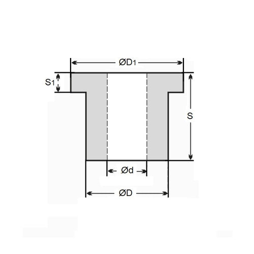
- Nominal Inside Diameter (d) 
:
8.000
mm
+ 0.025 / + 0.083
(Equiv. 0.315 in.) - Nominal Outside Diameter (D) 
10.000
mm
(Equiv. 0.394 in.) - Length (s) 
15.000
mm
+ 0.000 / - 0.270
(Equiv. 0.591 in.) - Flange OD (D1) 15.00 mm
 - Flange Thickness (s1) 1.00 mm
 - Material Iglidur P
 
Product Compliance and Data
Additional Resources
- DU Bush Material Information
 - General Bushes Catalogue
 - Sintered Bronze Products Catalogue
 - Solid Bronze Bushes catalogue
 
Cross References
- Igus PFM-0810-15
 - PFM081015
 


