
Miniature Bearings Australia
BP0300-0350-0200-PM - Datasheet
Iglidur
Category Information
Bushes - Unflanged - Plastic - Iglidur M250Iglidur M250 Plastic Unflanged Bushes. For impact resistance vibration dampening unclean environments.
- An expanded range may be available on special order. Please enquire.
- Specific Gravity 1.14 g/cm3.
- Operating Temp 170 C short term / 80 C long term.
- Tensile Strength at 20 Deg C = 112 Mpa.
- Hardness 79 Shore D (DIN53505).
- Bushing bore tolerance shown is after a H7 press fit.
Product Data
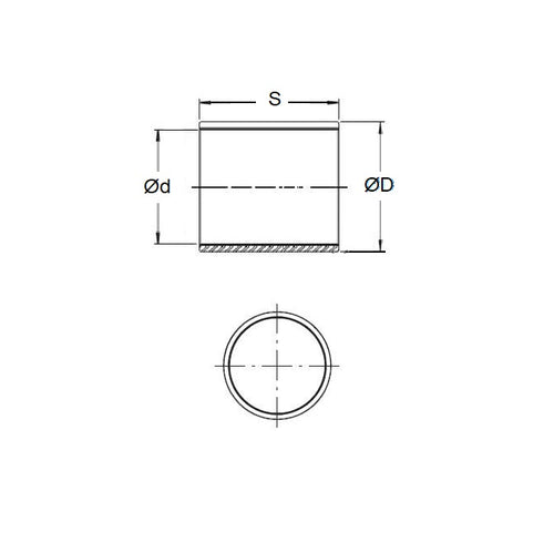
- Nominal Inside Diameter (d)
:
30.000
mm
+ 0.065 / + 0.195
(Equiv. 1.181 in.) - Nominal Outside Diameter (D)
35.000
mm
(Equiv. 1.378 in.) - Length (s)
20.000
mm
+ 0.000 / - 0.330
(Equiv. 0.787 in.) - Material Iglidur M250
Product Compliance and Data
Additional Resources
- DU Bush Material Information
- General Bushes Catalogue
- Sintered Bronze Products Catalogue
- Solid Bronze Bushes catalogue
Cross References
- Igus MSM-3035-20
- MSM303520


