
Miniature Bearings Australia
BF0250-0280-0210-PA29 - Datasheet
Iglidur
Category Information
Bushes - Flanged - Plastic - Iglidur A290Iglidur A290 Plastic Flanged Bushes. Food grade for low speeds and direct contact with food and pharmaceuticals.
- An expanded range may be available on special order. Please enquire.
 - Specific Gravity 1.39 g/cm3.
 - Operating Temp 180 C short term / 140 C long term.
 - Tensile Strength at 20 Deg C = 250 Mpa.
 - Hardness 88 Shore D (DIN53505).
 - Bushing bore tolerance shown is after a H7 press fit.
 
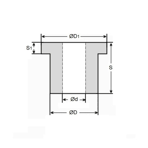
Product Data
- Nominal Inside Diameter (d) 
:
25.000
mm
+ 0.065 / + 0.195
(Equiv. 0.984 in.) - Nominal Outside Diameter (D) 
28.000
mm
(Equiv. 1.102 in.) - Length (s) 
21.000
mm
+ 0.000 / - 0.330
(Equiv. 0.827 in.) - Flange OD (D1) 35.00 mm
 - Flange Thickness (s1) 1.50 mm
 - Material Iglidur A290
 
Product Compliance and Data
Additional Resources
- DU Bush Material Information
 - General Bushes Catalogue
 - Sintered Bronze Products Catalogue
 - Solid Bronze Bushes catalogue
 
Cross References
- Igus A290FM-2528-21
 - A290FM252821
 


