
Miniature Bearings Australia
BF0080-0140-0060-PA20 - Datasheet
Iglidur
Category Information
Bushes - Flanged - Plastic - Iglidur A200Iglidur A200 Plastic Flanged Bushes. Food grade for low speeds and direct contact with food and pharmaceuticals.
- An expanded range may be available on special order. Please enquire.
 - Specific Gravity 1.14 g/cm3.
 - Operating Temp 170 C short term / 80 C long term.
 - Tensile Strength at 20 Deg C = 116 Mpa.
 - Hardness 81 Shore D (DIN53505).
 - Bushing bore tolerance shown is after a H7 press fit.
 
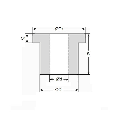
Product Data
- Nominal Inside Diameter (d) 
:
8.000
mm
+ 0.040 / + 0.130
(Equiv. 0.315 in.) - Nominal Outside Diameter (D) 
14.000
mm
(Equiv. 0.551 in.) - Length (s) 
6.000
mm
+ 0.000 / - 0.180
(Equiv. 0.236 in.) - Flange OD (D1) 18.00 mm
 - Flange Thickness (s1) 3.00 mm
 - Material Iglidur A200
 
Product Compliance and Data
Additional Resources
- DU Bush Material Information
 - General Bushes Catalogue
 - Sintered Bronze Products Catalogue
 - Solid Bronze Bushes catalogue
 
Cross References
- Igus AFM-0814-06
 - AFM081406
 


