
Miniature Bearings Australia
BF0240-0300-0300-PA20 - Datasheet
Iglidur
Category Information
Bushes - Flanged - Plastic - Iglidur A200Iglidur A200 Plastic Flanged Bushes. Food grade for low speeds and direct contact with food and pharmaceuticals.
- An expanded range may be available on special order. Please enquire.
 - Specific Gravity 1.14 g/cm3.
 - Operating Temp 170 C short term / 80 C long term.
 - Tensile Strength at 20 Deg C = 116 Mpa.
 - Hardness 81 Shore D (DIN53505).
 - Bushing bore tolerance shown is after a H7 press fit.
 
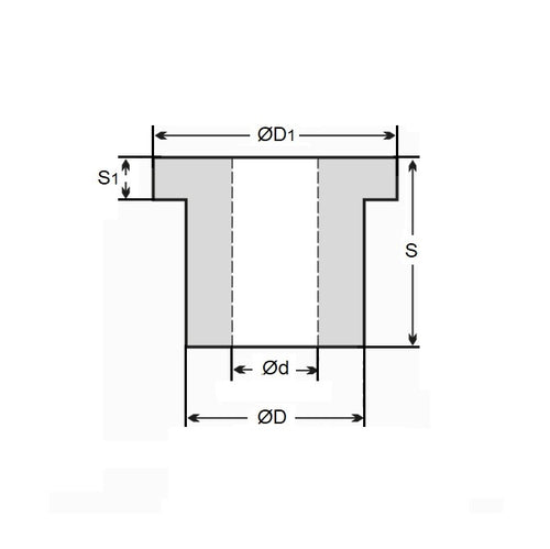
Product Data
- Nominal Inside Diameter (d) 
:
24.000
mm
+ 0.065 / + 0.195
(Equiv. 0.945 in.) - Nominal Outside Diameter (D) 
30.000
mm
(Equiv. 1.181 in.) - Length (s) 
30.000
mm
+ 0.000 / - 0.330
(Equiv. 1.181 in.) - Flange OD (D1) 36.00 mm
 - Flange Thickness (s1) 3.00 mm
 - Material Iglidur A200
 
Product Compliance and Data
Additional Resources
- DU Bush Material Information
 - General Bushes Catalogue
 - Sintered Bronze Products Catalogue
 - Solid Bronze Bushes catalogue
 
Cross References
- Igus AFM-2430-30
 - AFM243030
 


