
Miniature Bearings Australia
3720 - Datasheet
MBA
Category Information
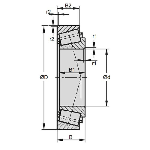
Bearings - Tapered Roller CupTapered Roller Cup Bearings. Replacements for existing tapered roller cups (outer part). Match with part number on your existing bearing. It is recommended that you change both cup and cone whenever possible.
- Tapered roller bearings provide for high thrust and axial loads, and are commonly used in automotive applications such as wheels, differentials and gearboxes.
- Match the cup with the appropriate cone as listed in the tables. Sometimes there will be a range of cone to suit. Be sure to check the dimesions thoroughly.
- The cone is the inner part of the bearing, and it contains the rollers. An expanded range may be available on special order. Please enquire.
Product Data
- Outside Diameter
:
93.264
mm
(Equiv. 3.672 in.) - Cup Width
23.812
mm
(Equiv. 0.937 in.) - rs1 min 3.500 mm
- rs2 min 3.300 mm
- Basic Dynamic Load Rating 102000 Cr (N)
- Basic Static Load Rating 134000 Cor (N)
- Limiting Speed with Grease 3800 RPM
- Material Chrome Steel
Product Compliance and Data
Additional Resources
- Catalogue: Ceramic Bearings Catalogue
- Catalogue: Plastic Bearings Catalogue
- Catalogue: Standard Bearings Catalogue
- General: Bearing Cleanliness
- General: Bearing Clearances
- General: Bearing Flanges & Snap Rings
- General: Bearing Retainers (Cages)
- General: General Loads Information
- General: Lubrication
- General: Prefix & Suffix Guide
- General: Static vs Dynamic Loads
- Materials: 316 Stainless
- Materials: CASSTOP Anti-Corrosion Bearing Material
- Materials: Ceramic vs Ceramic Hybrid
- Materials: Ceramic Bearings in Vibratory Applications
- Materials: Ceramic Hybrid Bearings in Vibratory Applications
- Materials: General Bearing Materials
- Materials: Magnetism & Bearings
- Precision: 316 Stainless & Plastic Bearing Tolerances
- Precision: ABEC Basic Information
- Precision: Precision Bearing Tolerances
- Problem Solving: Bearing Failure
- Problem Solving: Fatigue (L10 Life)
- Problem Solving: Noise


