
Miniature Bearings Australia
PLIT-100-191C-74-LKP-S3 - Datasheet
MBA
Category Information
Plungers - Indexing Pull Knob - Stainless and Plastic - With Locking SlotWith Locking Slot Stainless and Plastic Indexing Pull Knob Plungers. With thermoplastic knob
Product Data
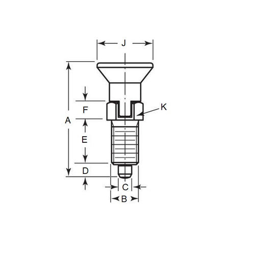
- Thread (B) : 3/4-10 UNC (19.05mm)
 - Overall Length (A) 
74.0
mm
(Equiv. 2.913 in.) - Initial End Force 6.8 N
 - Final End Force 18.1 N
 - Tip Diameter (C) 10.0 mm
 - Tip Length (D) 10.0 mm
 - Hex Height (F) 12.0 mm
 - Knob Diameter (J) 33.0 mm
 - Hex Size (K) 22.0
 - Material Stainless Steel 303 (Similar to A2, 304, 18-8)
 
Product Compliance and Data
Additional Resources
Cross References
- KBP-547
 - KBP547
 


