
Miniature Bearings Australia
PLSP-095-199-AS-031 - Datasheet
MBA
Category Information
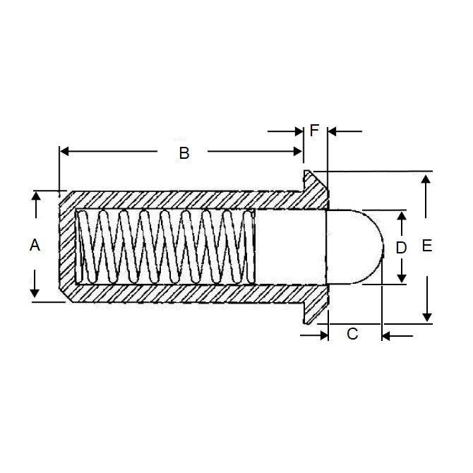
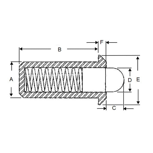
Plungers - Spring Push Fit - Stainless - Acetal NoseAcetal Nose Stainless Spring Push Fit Plungers. Stainless body with acetal nose
Product Data
- Body Diameter (A)
:
9.53
mm
+ 0.1 / - 0.0
(Equiv. 0.375 in.) - Body Length (B)
19.9
mm
(Equiv. 0.783 in.) - Initial Pressure (F1) 11.1 N
- Final Pressure (F2) 31.1 N
- Tip Diameter (D1) 5.9 mm
- Tip Length (C) 4.8 mm
- Drive Push Fit
- Material Stainless Steel Body with Acetal
Product Compliance and Data
Additional Resources
Cross References
- 6862A59
- SPFP90
- SPFP-90



