
Miniature Bearings Australia
BLP-095-0635-THD-S17 - Datasheet
MBA
Category Information
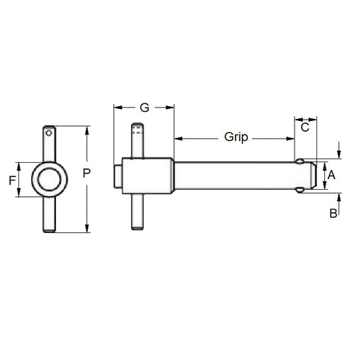
Pins - Ball Lock - No Shoulder - Tee Handle - Stainless Steel Heavy DutyStainless Steel Heavy Duty Tee Handle No Shoulder Ball Lock Pins. 17-4 PH or PH15-7MO stainless steel spindle and shank. Ground handling pins used in the handling of aircraft and service equipment. Tee handle.
- An expanded range may be available on special order. Please enquire.
- Positive lock detent pins.
- 300 Grade Stainless Components
- 440C Stainless Balls
Product Data
- Nominal Diameter
:
9.53
mm
(Equiv. 0.375 in.) - Grip Length (B)
63.50
mm
(Equiv. 2.5 in.) - Pin Material Grade 17-4 PH Stainless
- Locking Ball to End (C) 12.45 mm
- Open Ball Distance (B) 11.13 mm
- Handle Diameter (F) 15.88 mm
- Handle Height (G) 39.37 mm
- Handle Width (P) 50.80 mm
- Pull Out Strength 260 Kg
- Max. Diameter 9.49 mm
- Min. Diameter 9.45 mm
- Material Stainless Steel 17-4 PH
Product Compliance and Data
Additional Resources
Cross References
- 90980A345
- GHP110
- GHP-110A
- GHP110A



