
Miniature Bearings Australia
DB080-099-200 - Datasheet
NoCor
Category Information
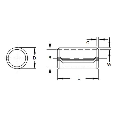
Pins - Dowel BushingsDowel Bushings Pins. Series DB100 Spirol
- An expanded range may be available on special order. Please enquire.
- Spring Steel.
- Precision rolled bushes manufactured from spring steel.
- Designed to eliminate the need for separate dowling where two components are to be located accurately together and fastened with bolts.
- They are available for use with bolts from M5 to M12.
Product Data
- Suitable Bolt Size
:
8.00
mm
(Equiv. 0.315 in.) - Length
20.00
mm
+ 0.0 / - 1.0
(Equiv. 0.787 in.) - Rec. Hole Diameter Min
9.93
mm
(Equiv. 0.391 in.) - Unassembled Diameter (D) Min 10.18 mm
- Unassembled Diameter (D) Max 10.44 mm
- Wall Thickness 0.89 mm
- Rec. Hole Diameter Max 10.06 mm
- Minimum Single Shear 18.70 kN
- Material Carbon Steel
Product Compliance and Data
Additional Resources
Cross References
- DB819
- DB8-19
- DB8-19-BULK


