
Miniature Bearings Australia
MLM-127C-152-S4-AHY1-075 - Datasheet
MBA
Category Information
Mounts - Levelling Studded - Hygienic - Anchoring - One Mounting HoleOne Mounting Hole Anchoring Hygienic Levelling Studded Mounts. Levelling adjusters. ANSI 304 stainless steel provides high corrosion resistance. Rounded polished base for fluid run-off during washdown applications.
- An expanded range may be available on special order. Please enquire.
- Operating temperature -20 to 100o C.
- Rubber base meets FDA 177-2600.
- 5o swivel for good floor contact.
Product Data
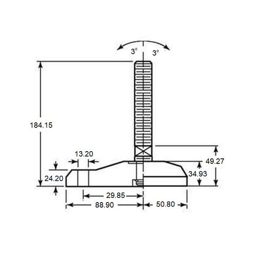
- Thread Size (A) : 1/2-13 UNC (12.7mm)
- Base Diameter (D)
74.9
mm
(Equiv. 2.949 in.) - Foot Height (C)
22.1
mm
(Equiv. 0.87 in.) - Thread Length (F) 152.4 mm
- Base Height (E) 22.1 mm
- Overall Height 174.5 mm
- Load Rating 800 Kg
- 5
- Distance Thread to Bolt (b) 52.07 mm
- Bolt Hole Diameter (d) 16.00 mm
- Material Stainless Steel 304 (Similar to A2, 18-8) HRB80
Product Compliance and Data
Additional Resources
Cross References
- MLM0800152127CS4M1
- MLM0800127C152S4M1
- SX76
- SX-76


