
Miniature Bearings Australia
BWU8-20 - Datasheet
MBA
Category Information
Slides - Linear - Clean RoomClean Room Linear Slides. Stainless Steel throughout (similar to 440C).
- Speed: 0.5 m/sec (30 m/min).
- Temperature: +100oC (Continuous), +140oC (Maximum). Life will be less than normal at +100oC and dimensions may change.
- Lateral Loading: Dynamic x 1.13 C - Static x 1.19 Co.
- Precision Linear Slide Unit is a compact linear motion rolling guide for limited stroke length.
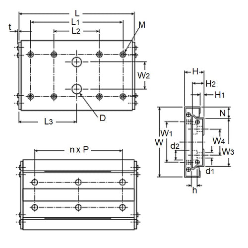
Product Data
- Width (W)
:
8.00
mm
(Equiv. 0.315 in.) - Height (H)
4.00
mm
(Equiv. 0.157 in.) - Length (L)
20.00
mm
(Equiv. 0.787 in.) - Hole Ctrs (W1 / W2 / L1 / L2 ) - / - / 10 / - mm
- Holes Thr x S1 (Nr.) M2 x 0.8 (4)
- Max Stroke Length 12 mm
- Screw Size / Max Depth 0.8 mm
- Track Width (W3) 3 mm
- Track Height (H2) 2.6 mm
- Basic Static Load Rating 306 Co N
- Allowable Load 102 F N
Product Compliance and Data
Additional Resources


