
Miniature Bearings Australia
WRE-0070-LS-S1 - Datasheet
Myonic
Category Information
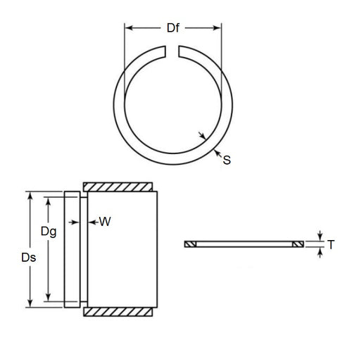
Retaining Rings - External - Snap Rings - Stainless SteelStainless Steel Snap Rings External Retaining Rings. Includes series M3200 / SP / ESP / M2400 / SW snaprings. Similar to a circlip without the lugs.
- An expanded range may be available on special order. Please enquire.
- 301 S11/S22 Stainless Steel.
- Used on the outside diameter of a bearing, shaft or similar equipment
Product Data
- Shaft or Bearing OD (d1)
:
7.00
mm
(Equiv. 0.276 in.) - Clip Thickness (T)
0.40
mm
+/- 0.02
(Equiv. 0.016 in.) - Groove Dia. (Dg)
6.60
mm
+ 0 / - 0.05
(Equiv. 0.26 in.) - Approx. Loose Circlip ID (A) 6.45 mm
- Radial Wall (S) Approx. 0.70 mm + 0 / - 0.10
- Groove Width (W) 0.44 mm
- Approx. Loose Clip OD 7.85
- Section Profile Rectangular with Square Edge
- Material Stainless Steel 301 S11/S22
Product Compliance and Data
Additional Resources
Cross References
- WSR7
- WSR07
- WRE0070SQS1


