
Miniature Bearings Australia
DT-44RS - Datasheet
MBA
Category Information
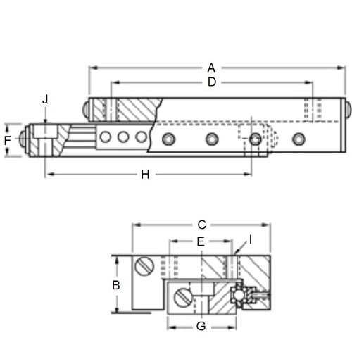
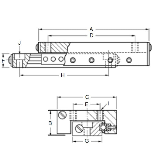
Linear - Ball Slide Assembly - PrecisionPrecision Ball Slide Assembly Linear. These precision ball slides have a typical coefficient of friction of 0.003 and provide straight line accuracy of 0.0005mm per mm of travel.
- At load capacity a life of 250 million mm of travel can be expected. The expected life at half load capacity is 2.5 billion mm.
 - Factory preload adjustment prevents sideplay and backlash. Lightweight aluminium carriage and base with high load capacity.
 - Four tapped and threaded carriage holes and counterbored base holes simplify installation and component mounting.
 - Long life, self cleaning ball bearing needs no lubrication.
 - Positional repeatability 0.005mm. Clear anodised finish.
 
Product Data
- Travel 
:
76.200
mm
(Equiv. 3 in.) - Load Capacity 11.340 Kg
 - Carriage Length (A) 
115.824
mm
(Equiv. 4.56 in.) - Overall Height (B) 13.462 mm
 - Carriage Width (C) 26.924 mm
 - Carriage Bolt Centre (D) 101.600 mm
 - Carriage Bolt Centre (E) 11.100 mm
 - Rail Height (F) 7.925 mm
 - Rail Width (G) 12.700 mm
 - Rail Bolt Centres Length (H) 82.550 mm
 - Carriage Bolt Size 6-32 UNC (3.5mm)
 - Base Bolt Size 6-32 UNC (3.5mm)
 
Product Compliance and Data
Additional Resources


