
Miniature Bearings Australia
GR-D96-04-0076-09-S41MS - Datasheet
MBA
Category Information
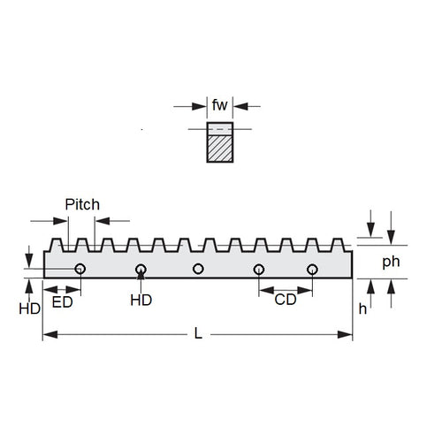
Gears - Rack - Imperial - 96DP - Stainless - Side HolesSide Holes Stainless 96DP Imperial Rack Gears. 20 Degree Pressure Angle. 416 stainless steel. DP stands for Diametrical Pitch imperial sizes.
- Be sure to match the pitch type and tooth angle when selecting rack and spur gears.
- An expanded range may be available on special order. Please enquire.
- 96 DP. Approx 0.83mm between teeth.
- Lengths longer than 1mtr can only be shipped internationally using Express not post. Please do not select post at checkout for long lengths.
Product Data
Deleted Item. Available while stocks last.
Please contact us first if you wish to use this item in a new design so we can check whether production can be resumed.
- Length (L)
:
76.2
mm
(Equiv. 3 in.) - Face Width (fw)
4.242
mm
(Equiv. 0.167 in.) - Height (h)
9.017
mm
(Equiv. 0.355 in.) - Pitch Type 96DP
- Pitch Height (ph) 8.753 mm
- Pressure Angle 20 °
- Precision Precision
- Mounting Hole Details (H.D) 4 x 3.04mm at 22.23mm centres, 3.96mm Centre from Base
- Shape Rectangular
- Hole Centre Distance (C.D.) 22.23 mm
- End Hole Centre to Edge (E.D.) 4.75 mm
- Hole Centre to Base 3.96 mm
- Material Stainless Steel AISI 416 Rc 36-42
Product Compliance and Data
Additional Resources
Cross References
- S1810Y-RC-7
- S1810YRC7


