
Miniature Bearings Australia
PBC-750RS - Datasheet
MBA
Category Information
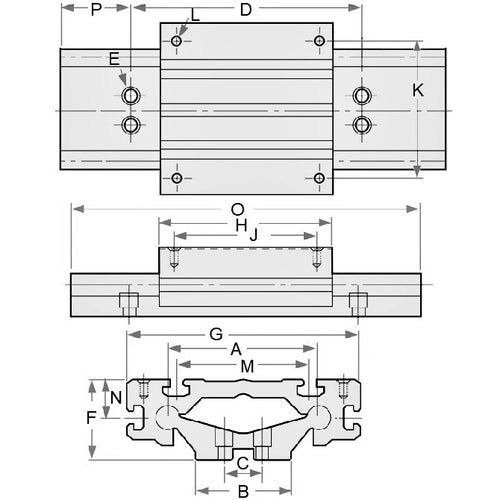
Linear - Guide System Two PieceGuide System Two Piece Linear. Using Frelon Gold plain bearing technology. Rail and carriage are made from 6063-T6 aluminium and come as a set.
- Rails are ceramic coated to resist corrosion and repel weld spatter and contaminants.
- Smooth running. Dampens vibration. Guide has slots for T nuts or bolts. Two component system allows for easier installation than traditional rail systems.
Product Data
- Rail Top Width (A/B)
:
74.930 / 50.800
mm
(Equiv. 2.95 in.) - C
19.050
mm
(Equiv. 0.75 in.) - Rail Bolt Centres (D)
101.600
mm
(Equiv. 4 in.) - Rail Height (F) 41.275 mm
- Carriage Width (G) 116.840 mm
- Carriage Length (H) 88.900 mm
- Carriage Bolt Centre Length (J 76.200 mm
- Carriage Bolt Centre Width (K) 101.600 mm
- Overall Length (O) 304.80 mm
- P 50.80 mm
- Bolt Size (L) 10-32 UNF (4.763mm)
- M 66.040 mm
- Material Aluminium 6061-T6 with Ceramic Coated Rail and Frelon Gold self-lubricating
Product Compliance and Data
Additional Resources
Cross References
- Pacific D75-12
- D7512


