
Miniature Bearings Australia
CMP-0800-0320-37-1010 - Datasheet
MBA
Category Information
Clutches - Slip Magnetic Particle - No Power Without ShaftNo Power Without Shaft Slip Magnetic Particle Clutches. Requires no power.
- Sealed from contamination.
- Uses permanent magnets and magnetic particles.
- Constant torque levels.
- Zero maintenance - Long operational life.
Product Data
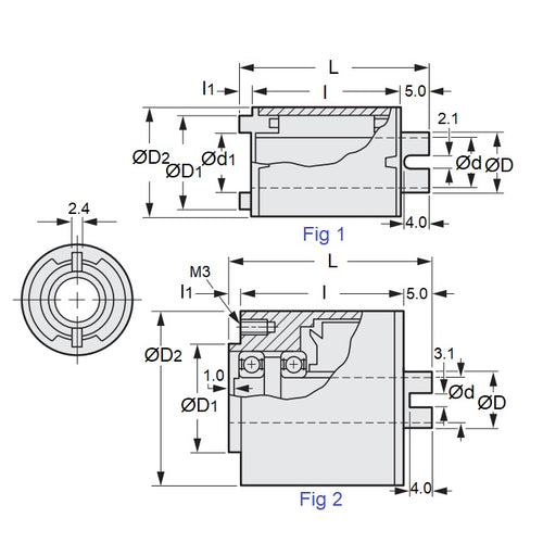
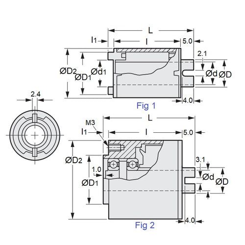
- Optimum Torque Range : 714 to 1010 g.cm
- Inner Diameter (d)
8.000
mm
(Equiv. 0.315 in.) - Overall Length
37.0
mm
(Equiv. 1.457 in.) - Static Torque 1010 g.cm
- Hub Diameter (D1) 20.0 mm
- Max. Speed 400 RPM
- Body Diameter 32.0 mm
- Shell (Material) Steel
- End Caps (Material) Plastic
Product Compliance and Data
Additional Resources
Cross References
- S90APLMS08099037
- S90APLMPS08099037


