
Miniature Bearings Australia
GE-00794-01905-W300 - Datasheet
MBA
Category Information
Bushings - Spherical - PlasticPlastic Spherical Bushings. Plastic spherical plain bearings. Also known as ball bushings.
- Self-aligning bearing that has spherical inner and outer rings, allowing it to handle both large radial and axial loads simultaneously.
- Used in applications with slow swinging movements or where misalignment must be compensated for, such as in control linkages, suspension components, and industrial machinery.
- Designed to reduce vibration and noise by allowing articulating motion in a fixed directional load.
- Ball Material W300. Housing Iglidur G.
- Maintenance Free. Self lubricating.
- Compensates for axial loads and misalignment.
- Corrosion resistant.
- High vibration dampening capacity.
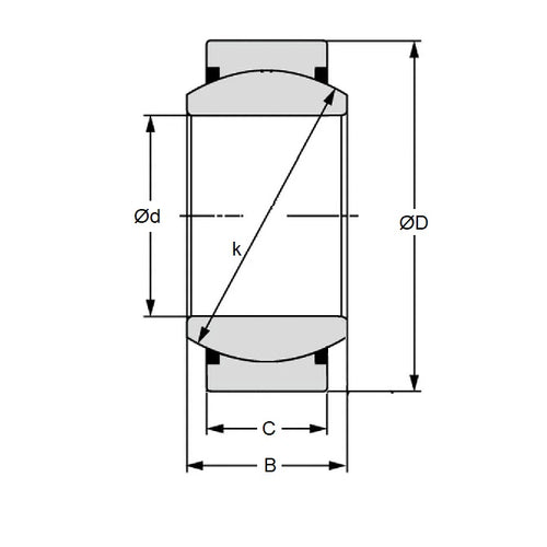
Product Data
- Bore (d1)
:
7.940
mm
(Equiv. 0.313 in.) - OD (d2)
19.050
mm
(Equiv. 0.75 in.) - Width (B)
11.100
mm
(Equiv. 0.437 in.) - Outer Width (C) 7.14 mm
- Max Pivot angle 29 Deg.
- Max Torque 12.0 Nm
- Max Static Comp. str. (Radial) 2000 N
- Max Static Comp. str. (Axial) 300 N
- Material Plastic
Product Compliance and Data
Additional Resources
Cross References
- Igus KGLI-05
- KGLI05
- I-572
- I572


