
Miniature Bearings Australia
PLSP-079-163-AC-022 - Datasheet
MBA
Category Information
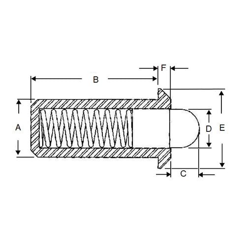
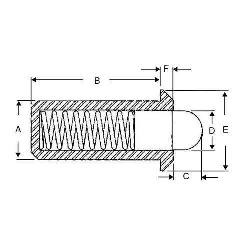
Plungers - Spring Push Fit - Steel - Acetal NoseAcetal Nose Steel Spring Push Fit Plungers. Steel body and acetal nose
Product Data
- Body Diameter (A)
:
7.93
mm
+ 0.1 / - 0.0
(Equiv. 0.312 in.) - Body Length (B)
16.3
mm
(Equiv. 0.642 in.) - Initial Pressure (F1) 8.9 N
- Final Pressure (F2) 22.2 N
- Tip Diameter (D1) 4.7 mm
- Tip Length (C) 3.8 mm
- Drive Push Fit
- Material Steel Body with Acetal
Product Compliance and Data
Additional Resources
Cross References
- Reid Tool® PFP-89
- PFP89


