
Miniature Bearings Australia
PF-312 - Datasheet
MBA
Category Information
Housing and Bearing Assembly - Pedestal Miniature Self AligningPedestal Miniature Self Aligning Housing and Bearing Assembly. Spyraflo pressed steel housings incorporating Abec 3 bearings in a special seat allowing for +/- 5 Deg Misalignment. Improves performance and reduces manufacturing costs. Simplify designs.
- Bearing housing assemblies combine matching parts already assembled. Bearings in this range refer to either ball bearings or plain bearings. Refer to the listings for each type.
 - Pillo block type are a pedestal mounted with two bolt holes through the base.
 - Small and cost effective. All bore sizes are mounted in the same size housing for ease of design and cost efficiency.
 - High precision bearings pre-mounted with a 5o misalignment capability.
 - 40,000 RPM recommended maximum speed with testing
 - 27kgf radial static capacity, 54kgf radial dynamic capacity per bearing
 - RoHS, REACH and SVHC environmental compliant
 
Product Data
Deleted Item. Available while stocks last.
Please contact us first if you wish to use this item in a new design so we can check whether production can be resumed.
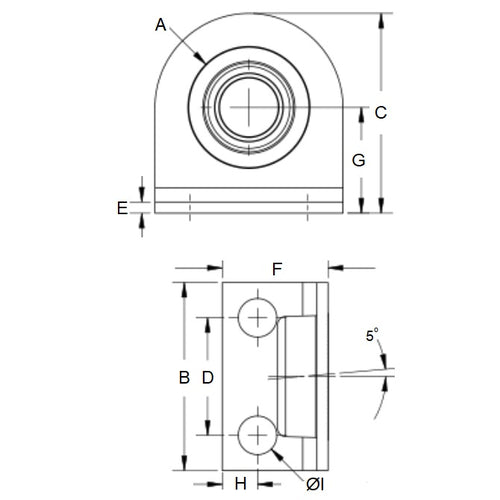
- Nominal Bore 
:
7.938
mm
(Equiv. 0.313 in.) - Base Width (F) 
14.29
mm
(Equiv. 0.563 in.) - Base Length (B) 
25.4
mm
(Equiv. 1 in.) - Body Clearance (A) 16.51 mm
 - Hole CENTRES (D) 15.9 mm
 - Hole Diameter (I) 5.3 mm
 - Overall Height (C) 26.92 mm
 - Centre Height (G) 14.29 mm
 - Bolt Hole Centre to Back (H) 4.83 mm
 
Product Compliance and Data
Additional Resources


