
Miniature Bearings Australia
DS-9RS - Datasheet
MBA
Category Information
Stops - Spring - Flat Face - StandardStandard Flat Face Spring Stops. Flat faced selection.
- Spring stops are used extensively in the locating of parts in jigs and fixtures, particularly where fixture walls are not available.
- Properly radiused nose for perfect fit with no wobble.
- Plunger is case hardened low carbon steel. Aluminium body.
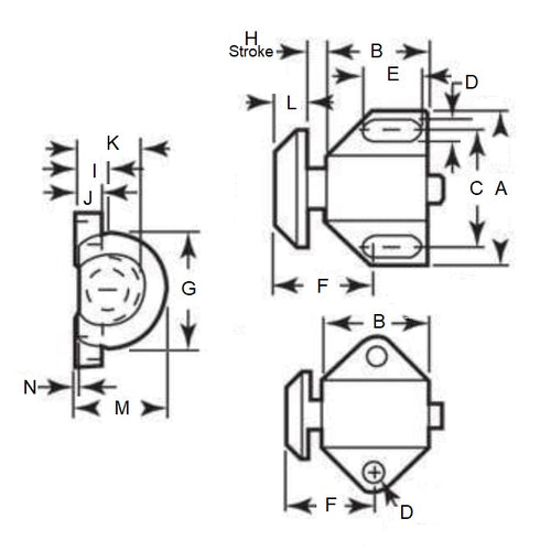
Product Data
- Initial End Force : 7.48 Kg
- Final End Force 21.55 Kg
- Stroke 
6.35
mm
 (Equiv. 0.25 in.)
- A 38.10 mm
- B 34.93 mm
- C 33.34 mm
- D 50.80 mm
- F 6.35 mm
- G 6.75 mm
- H 31.75 mm
- I / J / N / O 9.53 / 31.75 / 11.11 / 17.46 mm
- Base Style Rectangular
Product Compliance and Data
Additional Resources
 
 
 


