
Miniature Bearings Australia
GB-41A-D32-64-064-A - Datasheet
MBA
Category Information
Gears - Bevel - 32DP Plastic32DP Plastic Bevel Gears. For 90 Degree angle power transfer. Ratios exceeding 1 to 1. Nylon and Acetal.
- An expanded range may be available on special order. Please enquire.
- 20 Degree Pressure Angle.
- Do not mix gears from different sets.
- See Gears - Mitre for 1 to 1 ratios.
Product Data
Deleted Item. Available while stocks last.
Please contact us first if you wish to use this item in a new design so we can check whether production can be resumed.
- Ratio : 4 to 1
- Comment Large Gear Only
- Matching Gear to Complete Set GB-41A-D32-16-048-A
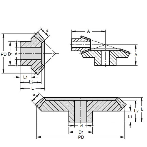
- Teeth 64 Nr.
- Bore (d) 6.401 mm
- Pitch Diameter (PD) 50.80 mm
- Face Width (S) 5.73 mm
- Overall Width (L) 10.32 mm
- Hub Diameter (D1) 19.05 / No Locking mm
- Mounting Distance (A) 17.463 mm
- Hub Length (l1) 7.94 mm
- Material Acetal
Product Compliance and Data
Additional Resources
Cross References
- A 1M 3-Y32064
- A1M3Y32064
- A1M3-Y32064


