
Miniature Bearings Australia
CCE-06350-C-V - Datasheet
MBA
Category Information
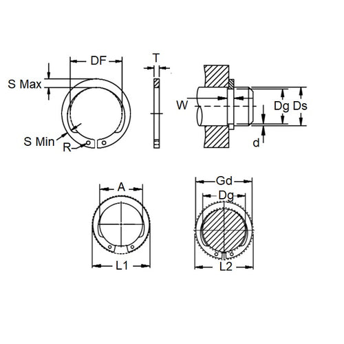
Retaining Rings - External - Circlips - InvertedInverted Circlips External Retaining Rings. N1408 / SHI / 16626 / 4100 / 5108 - Spring Steel and Stainless Steel. Retaining rings. Snap Rings (USA).
- An expanded range may be available on special order. Please enquire.
- Tapered section ring with lugs inverted on the ID to allow use in tight areas with minimal clearance.
- Less thrust load than standard circlips.
Product Data
- Shaft Diameter (Ds)
:
63.50
mm
(Equiv. 2.5 in.) - Clip Thickness (T)
1.98
mm
+/- 0.152
(Equiv. 0.078 in.) - Groove Dia. (Dg)
59.94
mm
+/- 0.076
(Equiv. 2.36 in.) - Approx. Loose Circlip ID (A) 58.75 mm
- Radial Wall (S) Approx. 3.30 mm
- Groove Width (W) 2.18 mm + 0.13 / - 0.00
- Material Carbon Steel
Product Compliance and Data
Additional Resources
Cross References
- 90213A101
- NoCor SHI-250
- N14080250
- N1408-0250
- SHI250


