
Miniature Bearings Australia
REF-060-R-CT-B - Datasheet
MBA
Category Information
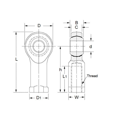
Rod Ends - Female - Steel - Plain - PTFE Lined - Tight FitTight Fit PTFE Lined Plain Steel Female Rod Ends. Imperial and Metric. Tight fit (Minimal ball clearance) / Carbon Steel. Also known as Heim Joints
- An expanded range may be available on special order. Please enquire.
- Dimensions not shown are available on request.
Product Data
- Eye Size (d1)
:
6
mm
(Equiv. 0.236 in.) - Overall Length (L)
39.00
mm
(Equiv. 1.535 in.) - Thread Size M6x1 Right
- Thread Length (l2) 14.00 mm
- Head Width (W) 7.00 mm
- Eye Width (W1) 9.00 mm
- Head Diameter (D) 18.00 mm
- Centre Height (l1) 30.00 mm
- Body Width/Flange Width(W2/D3) 11.00 / 13.00 mm
- Material Steel PTFE Lined
Product Compliance and Data
Additional Resources
Cross References
- MTR DF6
- KWK TF6


