
Miniature Bearings Australia
PLSP-064-132-S3-013 - Datasheet
MBA
Category Information
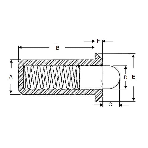
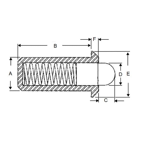
Plungers - Spring Push Fit - Stainless - Stainless NoseStainless Nose Stainless Spring Push Fit Plungers. 300 series stainless with 17-7 stainless spring
Product Data
- Body Diameter (A)
:
6.35
mm
+ 0.1 / - 0.0
(Equiv. 0.25 in.) - Body Length (B)
13.2
mm
(Equiv. 0.52 in.) - Initial Pressure (F1) 5.6 N
- Final Pressure (F2) 13.4 N
- Tip Diameter (D) 4.3 mm
- Tip Length (C) 3.2 mm
- Drive Push Fit
- Material Stainless Steel
Product Compliance and Data
Additional Resources
Cross References
- 8682A62
- Reid Tool® SPFP-53
- SPFP53


