
Miniature Bearings Australia
PLSP-064-122-AC-027 - Datasheet
MBA
Category Information
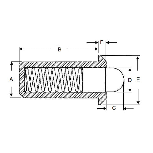
Plungers - Spring Push Fit - Steel - Acetal NoseAcetal Nose Steel Spring Push Fit Plungers. Steel body and acetal nose
Product Data
- Body Diameter (A)
:
6.35
mm
+ 0.1 / - 0.0
(Equiv. 0.25 in.) - Body Length (B)
12.2
mm
(Equiv. 0.48 in.) - Initial Pressure (F1) 11.1 N
- Final Pressure (F2) 26.7 N
- Tip Diameter (D1) 4.3 mm
- Tip Length (C) 3.2 mm
- Drive Push Fit
- Material Steel Body with Acetal
Product Compliance and Data
Additional Resources
Cross References
- 8683A16
- Reid Tool® PFP-82
- PFP82


