
Miniature Bearings Australia
GE-00635-01667-W300 - Datasheet
MBA
Category Information
Bushings - Spherical - PlasticPlastic Spherical Bushings. Plastic spherical plain bearings. Also known as ball bushings.
- Ball Material W300. Housing Iglidur G.
- Maintenance Free. Self lubricating.
- Compensates for axial loads and misalignment.
- Corrosion resistant.
- High vibration dampening capacity.
Product Data
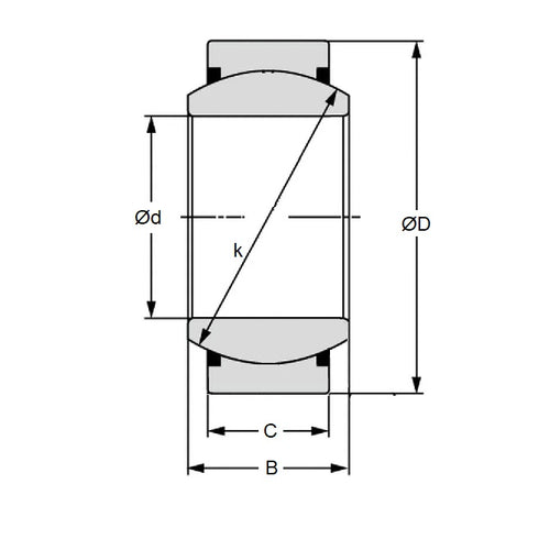
- Bore (d1)
:
6.350
mm
(Equiv. 0.25 in.) - OD (d2)
16.670
mm
(Equiv. 0.656 in.) - Width (B)
9.530
mm
(Equiv. 0.375 in.) - Outer Width (C) 6.35 mm
- Max Pivot angle 30 Deg.
- Max Torque 10.0 Nm
- Max Static Comp. str. (Radial) 1500 N
- Max Static Comp. str. (Axial) 250 N
- Material Plastic
Product Compliance and Data
Additional Resources
Cross References
- Igus KGLI-04
- KGLI04
- I-571
- I571



