
Miniature Bearings Australia
REF-064-R-CT-A - Datasheet
MBA
Category Information
Rod Ends - Female - Steel - Plain - PTFE Lined - Tight FitTight Fit PTFE Lined Plain Steel Female Rod Ends. Imperial and Metric. Tight fit (Minimal ball clearance) / Carbon Steel. Also known as Heim Joints
- An expanded range may be available on special order. Please enquire.
- Dimensions not shown are available on request.
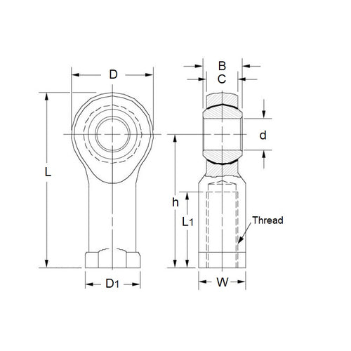
Product Data
- Eye Size (d1)
:
6.35
mm
(Equiv. 0.25 in.) - Overall Length (L)
42.85
mm
(Equiv. 1.687 in.) - Thread Size 1/4-28 UNF Right
- Thread Length (l2) 19.05 mm
- Head Width (W) 7.14 mm
- Eye Width (W1) 9.53 mm
- Head Diameter (D) 19.05 mm
- Centre Height (l1) 33.32 mm
- Body Width/Flange Width(W2/D3) 9.53 / 11.89 mm
- Material Steel PTFE Lined
Product Compliance and Data
Additional Resources
Cross References
- 2458K32-RIGHT
- KWK TFB4
- 2458K32RIGHT


