
Miniature Bearings Australia
REF-064-R-SN - Datasheet
MBA
Category Information
Rod Ends - Female - Stainless - 303 Housing and Ball and Nylon Raceway303 Housing and Ball and Nylon Raceway Stainless Female Rod Ends. Also known as Heim Joints
- An expanded range may be available on special order. Please enquire.
Product Data
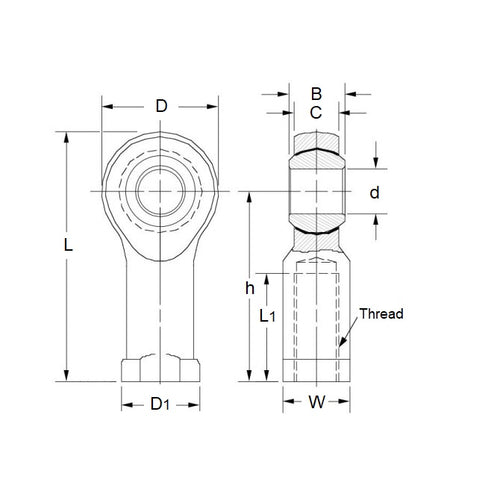
- Eye Size (d1)
:
6.350
mm
(Equiv. 0.25 in.) - Overall Length (L)
42.850
mm
(Equiv. 1.687 in.) - Thread Size 1/4-28 UNF Right
- Thread Length (l2) 19.05 mm
- Head Width (W) 7.14 mm
- Eye Width (W1) 9.53 mm
- Head Diameter (D) 19.05 mm
- Centre Height (l1) 33.33 mm
- Grease Nipple No
- Body Width/Flange Width(W2/D3) 11.91 / 9.53 mm
- Material Stainless Steel with Nylon
Product Compliance and Data
Additional Resources
Cross References
- SSPF-4
- SSPF4


