
Miniature Bearings Australia
DS-61RS - Datasheet
MBA
Category Information
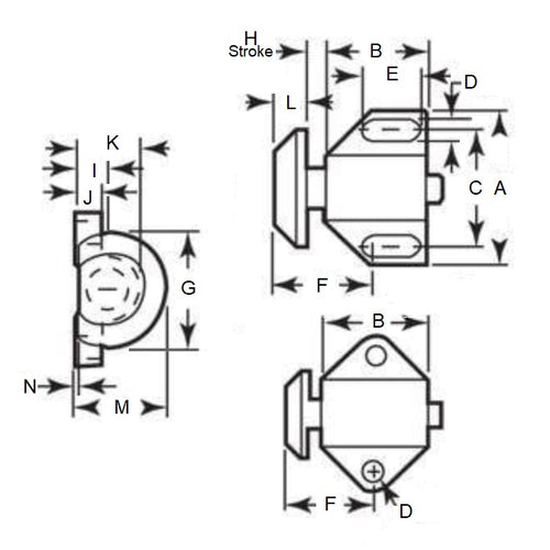
Stops - Spring Flat ButtonSpring Flat Button Stops. Flat button nose selection.
- Spring stops are used extensively in the locating of parts in jigs and fixtures, particularly where fixture walls are not available.
- Properly radiused nose for perfect fit with no wobble.
- Plunger is case hardened low carbon steel. Aluminium body.
Product Data
- Half-Depressed End Force : 6.35 Kg
- A 
38.10
mm
 (Equiv. 1.5 in.)
- B 
25.40
mm
 (Equiv. 1 in.)
- C 28.58 mm
- D 5.08 mm
- E 13.72 mm
- F 23.02 mm
- G 22.23 mm
- H 4.76 mm
- I 7.94 mm
- J 7.14 mm
- K / L / M / N 15.88 / 6.35 / 28.58 / - mm
Product Compliance and Data
Additional Resources
 
 
 


