
Miniature Bearings Australia
PLI-P-050120-21-K-C - Datasheet
MBA
Category Information
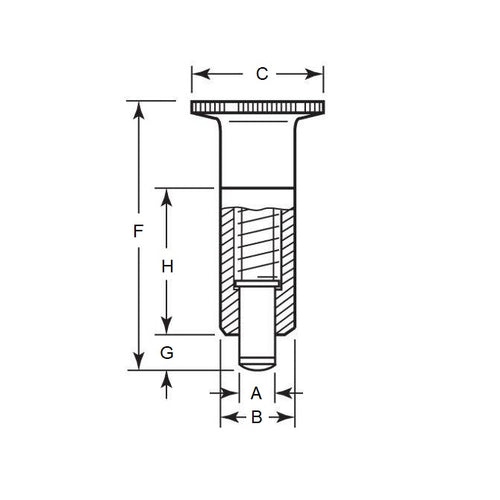
Plungers - Indexing Unthreaded Non Locking - With KnobWith Knob Indexing Unthreaded Non Locking Plungers. Used to prevent change in locking position due to shearing force. Spring loaded for use in fastening, locating and indexing on equipment, tooling and other applications.
- For use where the application calls for the plunger to be welded or bonded.
- Body and pin are steel with black oxide finish.
Product Data
- Body Diameter (B)
:
12.00
mm
(Equiv. 0.472 in.) - Body Length (H)
22.0
mm
(Equiv. 0.866 in.) - Initial End Force 3.2 N
- Final End Force 7.3 N
- Tip Diameter (A) 5.0 mm
- Nose Length (G) 5.0 mm
- Knob Diameter (C) 21.0 mm
- Length (F) 45.0 mm
- Material Steel
Product Compliance and Data
Additional Resources
Cross References
- WIP-810
- WIP810



