
Miniature Bearings Australia
RRN-225 - Datasheet
MBA
Category Information
Retaining Rings - Internal - Spiral Rings - Heavy Duty - Carbon SteelCarbon Steel Heavy Duty Spiral Rings Internal Retaining Rings. Includes AHI / WHM / AS3215 / RRN / MIL-R-27426B2 - Spring Steel
- An expanded range may be available on special order. Please enquire.
- Heavy duty design for use with NAS669-670 deep grooves in applications like double row and tapered roller bearings.
- Requires no tools for removal.
- Equivalent to Associated Spring: AHI, Smalley: WHM, Spirolox and Ramsey: RRN, Aerospace AS3215, MIL-R-27426B2
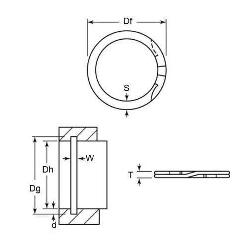
Product Data
- Housing Bore (B)
:
57.15
mm
(Equiv. 2.25 in.) - Clip Thickness (T)
1.99
mm
+/- 0.08
(Equiv. 0.078 in.) - Groove Dia. (Dg)
60.51
mm
(Equiv. 2.382 in.) - Approx. Loose Circlip OD (Dr) 60.98 mm + 0.64 / - 0.00
- Radial Wall (S) Approx. 4.27 mm +/- 0.13
- Groove Width (W) 2.25 mm +/- 0.15
- Approx. Loose Clip ID 52.44 +/- 0.06
- Groove Depth (d) 1.68
- Material Carbon Spring Steel
Product Compliance and Data
Additional Resources
Cross References
- 91985A271
- Associated Spring AHI-225
- Smalley WHM-225
- WHM225
- AHI225


