
Miniature Bearings Australia
QD-J-0572 - Datasheet
MBA
Category Information
Bushings - QDQD Bushings. Used with QD type cast iron vee pulleys, timing pulleys, sprockets, poly vee pulleys and other parts designed specifically for use with a QD bushing
- Quick Disconnect (QD) bushing is a power transmission component with a split taper design that provides a strong, secure clamp on a shaft, allowing for easy installation and removal of sprockets, pulleys, and sheaves.
- Similar to a taperlock bush, but not interchangeable
- QD bushings like taperlock bushings allow for use of a single stock pulley for many applications with different shaft sizes
- Select the correct QD series to suit the pulley
Product Data
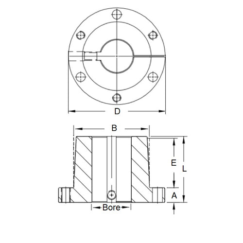
- Bore
:
57.150
mm
(Equiv. 2.25 in.) - Series J
- Flange OD (D)
184.15
mm
(Equiv. 7.25 in.) - Bolt Circle Dia. 158.75 mm
- Overall Length (L) 114.30 mm
- Bush Length (E) 88.90 mm
- Large End OD (B) 130.76 mm
- Flange Thickness (A) 25.40 mm
- Material Steel
Product Compliance and Data
Additional Resources
Cross References
- Martin Jx2-1-4
- Jx214


