
Miniature Bearings Australia
MB-0057-028 - Datasheet
MBA
Category Information
Mounts - Bonded - Tee Bush Centre BoltTee Bush Centre Bolt Bonded Mounts. Vibration isolation for mobile and static applications involving plate clamping
- An expanded range may be available on special order. Please enquire.
- Reduces structure borne noise and absorbs shock forces
- Low profile height
Product Data
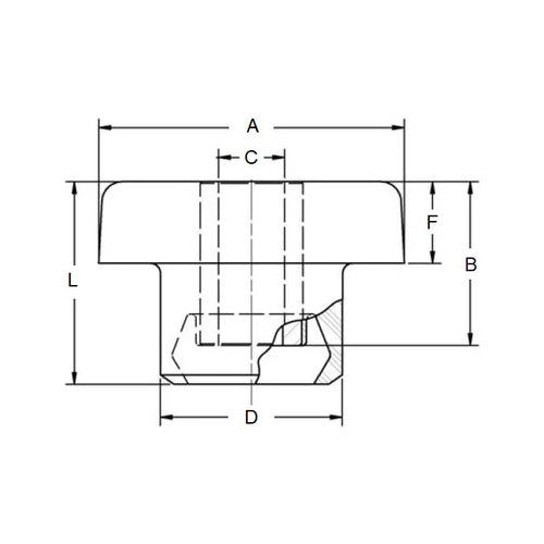
- Max Static Load : 56 kg
- Bolt Hole Diameter (C)
10.1
mm
(Equiv. 0.398 in.) - Flange Diameter (A)
27.7
mm
(Equiv. 1.091 in.) - Flange Width (F) 5.59 mm
- Shoulder Diameter (D) 20.9 mm
- Overall Length (B) 25.9 mm
- Material Rubber
Product Compliance and Data
Additional Resources
Cross References
- BBM10
- BBM-10



