
Miniature Bearings Australia
PLST-159C-775-HLC-022 - Datasheet
MBA
Category Information
Plungers - Spring - L Handle - Non LockingNon Locking L Handle Spring Plungers. Items shown with Long-Lok have a dry threadlocking sealant applied to thread.
- A compact mechanical component with a spring-loaded ball or pin inside a housing that applies consistent, predictable force. Internal spring compresses when pressure is applied to the ball or pin, allowing it to settle into designated positions or recess.
- Provides a reliable holding or locating mechanism in various industrial applications where precise alignment or securing of parts is needed.
- Also known as ball plungers or spring-loaded pins.
Product Data
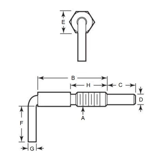
- Thread Size (A) : 5/8-11 UNC (15.88mm)
- Thread Length (B)
47.5
mm
(Equiv. 1.87 in.) - Initial Pressure (F1) 4.5 N
- Final Pressure (F2) 22.2 N
- Tip Diameter (D) 9.7 mm
- Tip Length (C) 25.4 mm
- Body Length (B) 77.5 mm
- Handle Diameter (G) 4.8 mm
- Handle Length (F) 25.4 mm
- Material Steel
Product Compliance and Data
Additional Resources
Cross References
- 6498A68
- FRN62
- FRN-62



