
Miniature Bearings Australia
REF-050-R-CT - Datasheet
MBA
Category Information
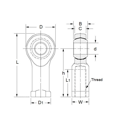
Rod Ends - Female - Steel - Plain - PTFE Lined - Tight FitTight Fit PTFE Lined Plain Steel Female Rod Ends. Imperial and Metric. Tight fit (Minimal ball clearance) / Carbon Steel. Also known as Heim Joints
- An expanded range may be available on special order. Please enquire.
- Dimensions not shown are available on request.
Product Data
- Eye Size (d1)
:
5
mm
(Equiv. 0.197 in.) - Overall Length (L)
35.00
mm
(Equiv. 1.378 in.) - Thread Size M5x0.8 Right
- Thread Length (l2) 14.00 mm
- Head Width (W) 7.00 mm
- Eye Width (W1) 8.00 mm
- Head Diameter (D) 16.00 mm
- Centre Height (l1) 27.00 mm
- Body Width/Flange Width(W2/D3) 9.00 / 12.00 mm
- Material Steel PTFE Lined
Product Compliance and Data
Additional Resources
Cross References
- Misumi E-GZN5
- KWK TF5
- MTR TF5
- EGZN5


