
Miniature Bearings Australia
MR59.944-15-ZZ-VP - Datasheet
MBA
Category Information
Dual Vee - Plain Guide WheelsPlain Guide Wheels Dual Vee. Vee grooved track roller guide wheels with Abec 5 precision bearings.
- An expanded range may be available on special order. Please enquire.
- Match with correct Track Size.
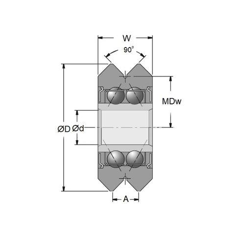
Product Data
- Size Reference : 4
- Outside Diameter (O.D) 
59.944
mm
 (Equiv. 2.36 in.)
- Journal Width (W) 
19.050
mm
 (Equiv. 0.75 in.)
- Groove Top Width (A) 9.652 mm
- Bore (d) 15.000 mm
- Bottom of Groove to Ctre (MDw) 25.40 mm
- Radial Working Load Capacity 516 KgF
- Axial Working Load Capacity 439 KgF
- Bearing Type Shielded Bearing
- Material Chrome Steel SAE 52100
Product Compliance and Data
Additional Resources
Cross References
- Dual Vee W4
- WZ14
- WZ-14
 
 
 


