
Miniature Bearings Australia
WRE-0040-SQ-S1 - Datasheet
Myonic
Category Information
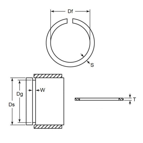
Retaining Rings - External - Snap Rings - Stainless SteelStainless Steel Snap Rings External Retaining Rings. Includes series M3200 / SP / ESP / M2400 / SW snaprings. Similar to a circlip without the lugs.
- An expanded range may be available on special order. Please enquire.
- 301 S11/S22 Stainless Steel.
- Used on the outside diameter of a bearing, shaft or similar equipment
Product Data
- Shaft or Bearing OD (d1)
:
4.00
mm
(Equiv. 0.157 in.) - Clip Thickness (T)
0.30
mm
+/- 0.02
(Equiv. 0.012 in.) - Groove Dia. (Dg)
3.70
mm
+ 0 / - 0.05
(Equiv. 0.146 in.) - Approx. Loose Circlip ID (A) 3.60 mm
- Radial Wall (S) Approx. 0.30 mm + 0 / - 0.10
- Groove Width (W) 0.33 mm
- Approx. Loose Clip OD 4.2
- Section Profile Square Section
- Material Stainless Steel 301 S11/S22
Product Compliance and Data
Additional Resources
Cross References
- WIB WSR4
- WSR04


