
Miniature Bearings Australia
WRE-0400-LS - Datasheet
MBA
Category Information
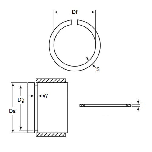
Retaining Rings - External - Snap Rings - Carbon SteelCarbon Steel Snap Rings External Retaining Rings. Includes series M3200 / SP / ESP / M2400 / SW snaprings. Similar to a circlip without the lugs.
- An expanded range may be available on special order. Please enquire.
- Carbon sping steel
- Used on the outside diameter of a bearing, shaft or similar equipment
Product Data
- Shaft or Bearing OD (d1)
:
40.00
mm
(Equiv. 1.575 in.) - Clip Thickness (T)
1.50
mm
+ 0 / - 0.10
(Equiv. 0.059 in.) - Groove Dia. (Dg)
38.50
mm
+ 0 / - 0.16
(Equiv. 1.516 in.) - Approx. Loose Circlip ID (A) 37.80 mm
- Radial Wall (S) Approx. 2.30 mm + 0 / - 0.10
- Groove Width (W) 1.60 mm
- Approx. Loose Clip OD 42.4
- Section Profile Rectangular with Square Edge
- Material Carbon Spring Steel
Product Compliance and Data
Additional Resources
Cross References
- NoCor DSW-040
- Nachi SW40
- Seeger SW40
- Seeger SW40A501-S
- NTN WR40
- DSW040
- WRE0400SQ
- M24000400APP
- M2400-0400APP
- SW40A501S


