
Miniature Bearings Australia
GE-00483-01429-W300 - Datasheet
MBA
Category Information
Bushings - Spherical - PlasticPlastic Spherical Bushings. Plastic spherical plain bearings. Also known as ball bushings.
- Ball Material W300. Housing Iglidur G.
- Maintenance Free. Self lubricating.
- Compensates for axial loads and misalignment.
- Corrosion resistant.
- High vibration dampening capacity.
Product Data
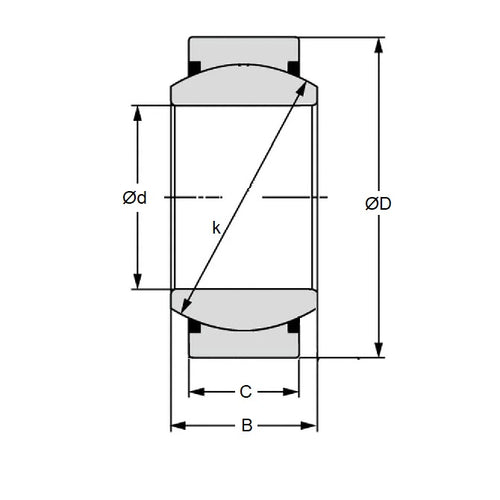
- Bore (d1)
:
4.830
mm
(Equiv. 0.19 in.) - OD (d2)
14.290
mm
(Equiv. 0.563 in.) - Width (B)
7.930
mm
(Equiv. 0.312 in.) - Outer Width (C) 5.54 mm
- Max Pivot angle 34 Deg.
- Max Torque 5.0 Nm
- Max Static Comp. str. (Radial) 1000 N
- Max Static Comp. str. (Axial) 150 N
- Material Plastic
Product Compliance and Data
Additional Resources
Cross References
- Igus KGLI-03
- KGLI03
- I-570
- I570



