
Miniature Bearings Australia
REF-048-R-SN - Datasheet
MBA
Category Information
Rod Ends - Female - Stainless - 303 Housing and Ball and Nylon Raceway303 Housing and Ball and Nylon Raceway Stainless Female Rod Ends. Also known as Heim Joints
- An expanded range may be available on special order. Please enquire.
Product Data
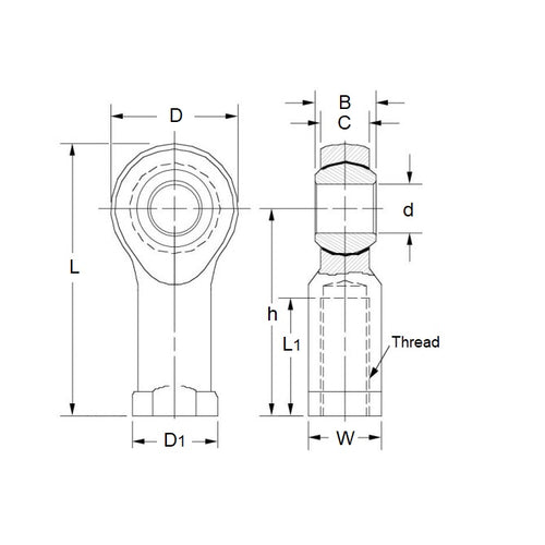
- Eye Size (d1)
:
4.826
mm
(Equiv. 0.19 in.) - Overall Length (L)
34.925
mm
(Equiv. 1.375 in.) - Thread Size 10-32 UNF Right
- Thread Length (l2) 14.28 mm
- Head Width (W) 6.35 mm
- Eye Width (W1) 7.93 mm
- Head Diameter (D) 15.88 mm
- Centre Height (l1) 26.98 mm
- Grease Nipple No
- Body Width/Flange Width(W2/D3) 10.31 / 7.93 mm
- Material Stainless Steel with Nylon
Product Compliance and Data
Additional Resources
Cross References
- SSPF-3
- SSPF3



