
Miniature Bearings Australia
RPO-047-048-SP15 - Datasheet
MBA
Category Information
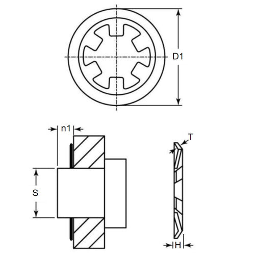
Retaining Rings - Push On - Stainless SteelStainless Steel Push On Retaining Rings. Rotor Clip TY. Stainless Steel hardness HR15N 82.5-86
- An expanded range may be available on special order. Please enquire.
- PH 15-7/17-7 Stainless Steel and 1.4310 Stainless Steel
Product Data
- Min shaft size (s1)
:
4.75
mm
(Equiv. 0.187 in.) - Max Shaft Size (s2)
4.80
mm
(Equiv. 0.189 in.) - Outside diameter (D1)
9.83
mm
(Equiv. 0.387 in.) - Min shaft extension (n1) 1.02 mm
- Material Thickness (t) 0.25 mm
- Material Stainless Steel Grade PH15-7-17
Product Compliance and Data
Additional Resources
Cross References
- Waldes 5105-018-SS
- IRR 6100-018-SS
- NoCor TY-018-SS
- Rotor Clip TY-018-SS
- 6100018SS
- 5105018SS



