
Miniature Bearings Australia
VA0005 - Datasheet
MBA
Category Information
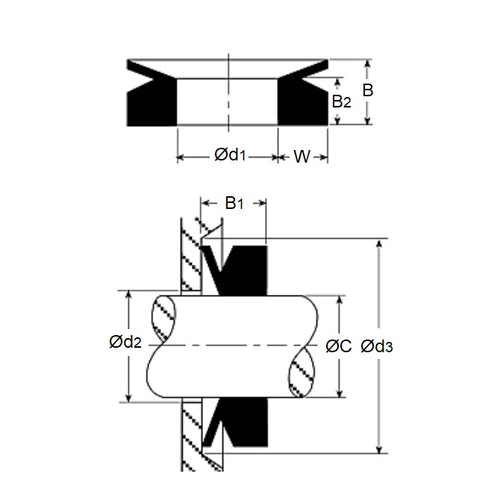
V-Rings - NitrileNitrile V-Rings. VA profile - Nitrile V rings.
- V-ring, also known as a V-seal, is a type of all-rubber seal designed for rotating shafts.
- Primarily used to prevent contaminants like dirt, dust, and moisture from entering areas like bearings, oil seals, and housings.
- Acts as a barrier to protect critical components in various mechanical and industrial applications. This category will be discontinued when the remaining items are sold.
Product Data
Deleted Item. Available while stocks last.
Please contact us first if you wish to use this item in a new design so we can check whether production can be resumed.
- Shaft Diameter (C) 
:
4.50 - 5.50
mm
 (Equiv. 0.177 in.)
- Seal Diameter (d1) 
4.00
mm
 (Equiv. 0.157 in.)
- Profile Height (W) 
2.00
mm
 (Equiv. 0.079 in.)
- Profile Width (B2) 2.40 mm
- Total Width (B) 3.70 mm
- Max Face Bore (d2) C + 1 mm
- Min Face OD (d3) C + 6 mm
- Fitted Width (B1) 3.00 +/- 0.40 mm
Product Compliance and Data
Additional Resources
 
 
 


