
Miniature Bearings Australia
CP-030-040-21-032-NF-R3S - Datasheet
MBA
Category Information
Couplings - Neo FlexNeo Flex Couplings. 0.71 to 1.27 Nm.
- This category will be discontinued when the remaining items are sold.
- All items are priced to quit.
- Backorders or orders for previously listed items in the category may still be possible - please enquire.
- 303 stainless steel with 73 durometer neoprene centre.
- Shaft to shaft insulation.
- Torsional vibration isolation.
- Ribbed style are more flexible than smooth style.
- Bore Tolerances: +0.025 / -0.000.
Product Data
Deleted Item. Available while stocks last.
Please contact us first if you wish to use this item in a new design so we can check whether production can be resumed.
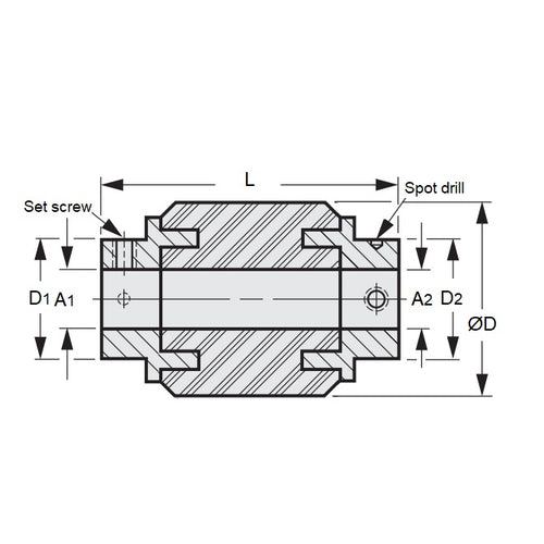
- Bore (A1)
:
3.000
mm
(Equiv. 0.118 in.) - Bore (A2)
4.000
mm
(Equiv. 0.157 in.) - OD
20.6
mm
(Equiv. 0.811 in.) - Overall Length (L) 31.8 mm
- Max. Torque 0.71 n.m
- Max. Speed Not Listed RPM
- Hub Config. / Hub Diameter(s) Set Screw / 7.900 / 9.500 mm
- Body Type Ribbed
- Angle Misalignment 5 °
- Max. Parallel Offset 0.250 mm
- Material Stainless Steel 303 and Neoprene
Product Compliance and Data
Additional Resources
Cross References
- S50PSRM0304


