
Miniature Bearings Australia
PLIT-030-060-075-32-LKPN-C - Datasheet
MBA
Category Information
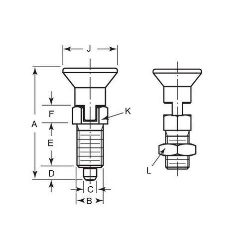
Plungers - Indexing Pull Knob - Steel - With Locking Slot and NutWith Locking Slot and Nut Steel Indexing Pull Knob Plungers. With thermoplastic knob
- Spring-loaded pin used to lock a part into a specific position.
- To use it, pull the handle or knob, which retracts the pin, allowing the part to be moved freely. When released the pin springs back into a hole, securing the part in its new position.
Product Data
- Thread (B) : M6 Fine (6x0.75mm)
- Overall Length (A)
31.5
mm
(Equiv. 1.24 in.) - Initial End Force 2.0 N
- Final End Force 5.0 N
- Tip Diameter (C) 3.0 mm
- Tip Length (D) 3.5 mm
- Knob Diameter (J) 14.0 mm
- Hex Size (K) 8.0 mm
- Nut Size (L) 10.0
- Material Steel
Product Compliance and Data
Additional Resources
Cross References
- KBP564
- KBP-564


