
Miniature Bearings Australia
LCP-0381-060-076-FGP - Datasheet
MBA
Category Information
Linear - Sliding Bearings - Frelon Gold Lined - Closed - PrecisionPrecision Closed Frelon Gold Lined Sliding Bearings Linear. Self lubricating. Eliminates galling and shaft damage. Dampens vibration for quiet smooth operation. High load capacity. Absorbs shock loads. Maintenance free. Chemically inert. Temp range -240 Deg C to +260 Deg C
- Frelon Gold = 20000 PV
- Dry Running Max Surface Speed Frelon Gold = 1.5 mtrs / sec (300 ft / min).
- With Lubrication Max Surface Speed Frelon Gold = 4.1 mtrs / sec (825 ft / min)
- Interaction of the Frelon Gold material and the shafting creates a microscopic transfer of Frelon Gold to the running surfaces filling the valleys during the initial break-in period.
- Precision type has closer running clearances.
Product Data
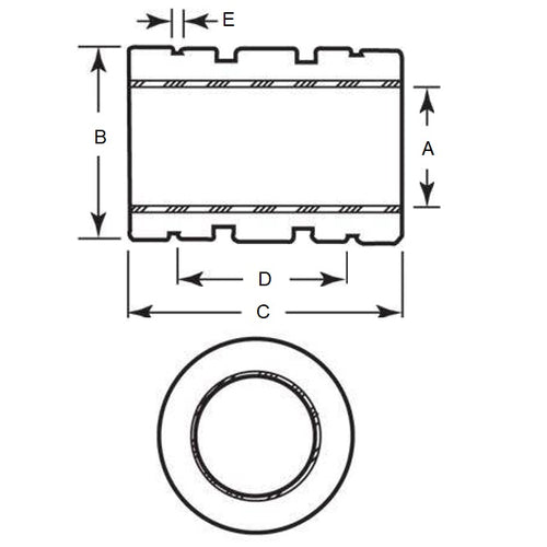
- Nominal Shaft Size (T)
:
38.100
mm
(Equiv. 1.5 in.) - Nom. Outer Diameter (D)
60.325
mm
(Equiv. 2.375 in.) - Overall Length (L)
76.200
mm
(Equiv. 3 in.) - Max. Load 3197.824 N
- Groove Distance (D) 57.150 mm
- Groove Width 2.26 mm
- Series Precision
- Type Closed
- Max Speed Dry 42.600 m/s
- Max Speed Lubricated 122.000 m/s
- Material Frelon Gold Lined
Product Compliance and Data
Additional Resources
- Catalogue: Ceramic Bearings Catalogue
- Catalogue: Plastic Bearings Catalogue
- Catalogue: Standard Bearings Catalogue
- General: Bearing Cleanliness
- General: Bearing Clearances
- General: Bearing Flanges & Snap Rings
- General: Bearing Retainers (Cages)
- General: General Loads Information
- General: Lubrication
- General: Prefix & Suffix Guide
- General: Static vs Dynamic Loads
- Materials: 316 Stainless
- Materials: CASSTOP Anti-Corrosion Bearing Material
- Materials: Ceramic vs Ceramic Hybrid
- Materials: Ceramic Bearings in Vibratory Applications
- Materials: Ceramic Hybrid Bearings in Vibratory Applications
- Materials: General Bearing Materials
- Materials: Magnetism & Bearings
- Precision: 316 Stainless & Plastic Bearing Tolerances
- Precision: ABEC Basic Information
- Precision: Precision Bearing Tolerances
- Problem Solving: Bearing Failure
- Problem Solving: Fatigue (L10 Life)
- Problem Solving: Noise
Cross References
- 5986K742
- Pacific FL24
- PBC-13
- PBC13


